moyens de paiement

Meca-Passion

Depuis 1971 dans les garages, depuis 1998 sur Internet  Cette e-boutique est à votre service depuis 2008.

Besoin d'un coup de pouce ?
Le réflexe Meca-Passion


Téléchargement possible - Disponibilité quasi-immédiate - Pas de frais de port - Manuel directement chez vous !

Ce site gère les paiements par CB via Paypal. Si cela vous pose problème et que vous désirez régler par CB sans passer par Paypal contactez-moi via la rubrique "Contact du site.
 Merci
Possibilité clé USB pour la plupart des manuels.

Si vous réglez un téléchargement via Paypal je devrai vous envoyer manuellement le lien de téléchargement ce qui risque d'induire un léger retard dans la finalisation de la commande, je vous prie de bien vouloir m'en excuser.
Courrier SuiviTelechargement
Catégorie liée / chrysler Votre panier
Chrysler Crossfire 2003-2007 - Français

Chrysler Crossfire 2003-2007 - Français

Chrysler Crossfire 2003-2007 - Français

Chrysler Crossfire 2003-2007 - Français


Chrysler Crossfire 2003-2007 - Français
(cross-fr)                                     
 
Prix : 35,00 euros
 
Manuel d'atelier Chrysler Crossfire 2003-2007 en Français

Moteur atmo V6 - 3.2 litres - 18 soupapes
Moteur Turbo V6 - 3.2 litres - 18 soupapes

Boites de vitesses automatique 5 vitesses et manuelle 6 vitesses.

 
Introduction
Lubrification et maintenance
2 Suspension
3 Différentiel et transmission
5 Freins
6 Embrayage
7 Refroidissement - Diagnostics Electriques
8A Audio / Video
8B Alerte sonore de rappel
8E Modules de commande électroniques
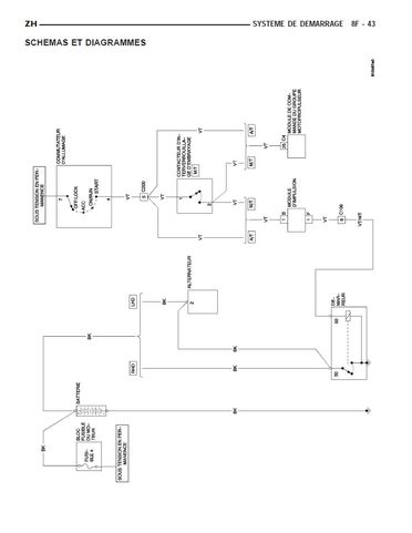
8F Circuits de moteur
8G Systèmes chauffés
8H Avertisseur sonore
8I Commande de l’allumage
8J Bloc d’instruments
8L Lampes
8M Systèmes de messages
8N Systèmes motorises
8O Dispositifs de retenue
8P Régulation de la vitesse
8Q Système antivol
8R Essuie-glace et lave-glace
8W Câblage
9 Moteur
11 Système d’échappement
13 Caisse et pare-chocs
14 Circuit d’alimentation en carburant
19 Direction
21 Transmission
22 Pneus / Roues
23 Caisse
24 Chauffage et climatisation
25 Emissions de vapeurs de carburant
Index PCODE

4530 pages en Français.

Sur CDRom au format pdf imprimable.
ou
Sur clé USB au format pdf imprimable (+ 5 euros)
ou
Téléchargement (fichier pdf imprimable) - 78 MB  (port = 0€


Support : 

   
Autres articles pouvant vous intéresser :

 
Les articles que vous avez visités :
 

 
Voir les autres catégories de la boutique